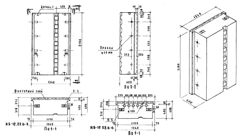
НБ-12.22.6-6
Характеристики изделия:
| Параметр | Значение |
|---|---|
| Длина | 1340 мм |
| Ширина | 600 мм |
| Высота | 2180 мм |
| Масса | 2895 кг |
| Нормативный документ | Серия 1.133-1 |
Цена:
Рассчитать стоимостьСтеновые легкобетонные блоки толщиной 60 см по Серии 1.133-1.
НБ-12.22.6-6 Простеночный блок.