НР4-35.27.35-1бл

Чертеж изделия:
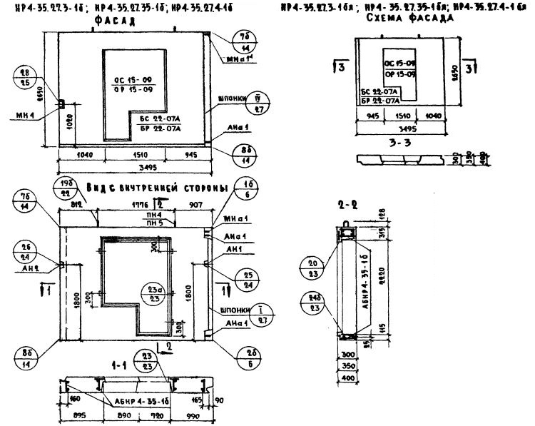
Чертеж НР4-35.27.35-1бл
Характеристики изделия:
ПараметрЗначение
Длина3495 мм
Ширина350 мм
Высота2650 мм
Масса3240 кг
Нормативный документСерия 1.132-1

НР4-35.27.35-1бл   Наружная стеновая панель рядовая по Серии 1.132-1.